A vasúti biztosító-berendezések korszerű, szünetmentes energiaellátása
1. A vasúti biztosító-berendezések áramellátása
A vasúti biztosító-berendezések olyan fix programú automatikák, amelyek a vonatközlekedés lebonyolításának gépesítésével együtt a közlekedés biztonságát is megvalósítják, ezért az energiellátásukkal szemben követelmény a közel megszakításmentes táplálás [1].
A biztosító-berendezések energiaellátására egységes táplálási elvek alakultak ki, amelyek a közelmúltig jelentősen nem változtak.
A fogyasztók táplálásához megszakításmentes egyenfeszültségű ( 24 V és 48 V ), továbbá különféle frekvenciájú és váltakozó feszültségű [ 3x400/230V (3x380/220V) 50Hz; 230V (220V) 50Hz; 230V/500V 75Hz; 100V 400Hz] szünetmentes váltakozófeszültségű energiára van szükség.
A vasúti biztosító-berendezések energiaellátása alapüzemben az áramszolgáltatói hálózatról történik. Az áramszolgáltatói hálózat hiánya esetén a vasúti biztosító-berendezéseket automatikus indítású (régebben kézi indítású) áramfejlesztő berendezés (dízel) táplálja, amelyet tartaléktáplálásnak neveznek. Ahol a tartaléktáplálás céljára a feltételek adottak, a villamos vontatás 25 kV-os feszültségéből előállított 230V (220V) névleges feszültséget is felhasználják. A két táplálási mód közötti váltás megszakítást eredményez a rendelkezésre álló váltakozó feszültség folytonosságában, illetve a közvetlenül táplált fogyasztók energiaellátásában. Az áttérés ideje dízel üzemre automatikus indítású dízel esetén kb. 30 s. A hálózatra való visszatérés üzemszerűen mindig automatikus és ideje 50-100 ms.
Az egyen- és váltakozó feszültségű fogyasztók táplálására rendelkezésre áll az ún. szükségüzem is, amely 48 V névleges feszültségű akkumulátorból, akkumulátor táplálású egyenáramú motorból és a hozzá merev tengelykapcsolattal illesztett háromfázisú szinkrongenerátorból, vagy félvezetős váltóirányító(k)ból áll.
A szükségüzem korlátozott ideig minden lényeges egyen- és váltakozófeszültségű fogyasztó táplálását lehetővé teszi.
Önálló energiaellátású vasúti biztosító-berendezések a MÁV hálózatán ma mintegy 300 helyen működnek. Ezek egyenkénti fogyasztása 5-80 kWh közötti. Az összes energiafogyasztás mintegy 20 MWh, amely indokolja, hogy az elvárt működési biztonság mellett az energiaellátás hatásfokának növelése, mint követelmény, időről-időre újra megfogalmazódjon.
2. Az áramellátó rendszerek megvalósítási lehetőségei
Az energiaellátás sokrétűsége, bonyolultsága és a nagy megbízhatósági követelmények jelentős kihívást jelentettek, illetve jelentenek bármely gyártó részére.
A PowerQuattro Teljesítményelektronikai Kft. fejlesztőmérnökei 1994-ben kifejlesztettek egy, a korábban alkalmazott szünetmentes áramellátó rendszereknél korszerűbb felépítésű szünetmentes áramellátó rendszert, ahol az akkumulátor névleges feszültsége a régi rendszerekben alkalmazott 48 V helyett 336 V [(2,3,4,5]). Az új névleges feszültség kiválasztásakor jelentős szerepet játszott, hogy a vasúti biztosító-berendezések teljes energiafogyasztásának csak a töredékét jelentik a 48 V-os fogyasztók. Ellenkező esetben az emelt( 336 V-os ) közbensőköri feszültségű rendszer elvesztené előnyös tulajdonságainak egy részét, hisz ebben az esetben szükségessé válna az emelt feszültségű energia visszaalakítása 48 V-ra.
A feszültségszint felső értékének a meghatározásakor fontos szempont volt, hogy a kereskedelemben kapható korszerű, nagysebességű félvezetők ára 600 V-os feszültségszint felett már jelentősen megnövekszik, valamint az egyenfeszültségű áramkörökben előnyösen alkalmazható kismegszakítók csak 440 V egyenfeszültségig garantálják az esetleg kialakuló zárlati áramok megszakítását. A 336 V-os névleges feszültségű rendszerekben az akkumulátortelep csepptöltési feszültségszintje 0 °C környezeti hőmérséklet esetén - a hőmérséklet-kompenzálást is figyelembe véve - még 400 V alatt marad, így a rendszerben biztonságosan alkalmazhatóak az előbb említett alkatelemek.
A régi és az új rendszer közötti különbségek jól láthatóak az 1. ábra és a 2. ábra összehasonlításakor.

1. ábra. 48 V névleges akkumulátorfeszültségű áramellátó rendszer

2. ábra.336 V névleges akkumulátorfeszültségű áramellátó rendszer
A betáplálások és az átkapcsoló egységek még megegyeznek a két rendszernél, az első jelentős eltérés az akkumulátortöltőknél jelentkezik. Azonos teljesítményű áramellátó rendszert feltételezve a 48 V-os névleges akkumulátorfeszültségű rendszerben kb. hétszer nagyobb kimenő áramú akkumulátortöltőkre van szükség a 336 V-os névleges akkumulátorfeszültségű rendszerhez képest. A nagyobb áramok hatására (a félvezetők, fojtótekercsek, vezetékek, kapcsolók, csatlakozók stb. esetében) nagyobb hőveszteségekkel kell számolni, amely csökkenti a berendezések, illetve a rendszer hatásfokát.
A kis hatásfok miatt a régi rendszereknél - azonos túlmelegedést feltételezve - jelentősen nagyobb hűtőbordákra volt szükség, amely árnövelő hatása mellett még nagyobb méretet és súlyt is jelentett.
A régi rendszereknél tehát az akkumulátortöltők, a DC-DC átalakítók, valamint az inverterek hatásfoka a kis közbensőköri feszültség, valamint a ma már nem korszerű alkatelemek és áramköri megoldások miatt jelentősen kisebb volt, mint az új korszerű alkatelemeket és áramköri megoldásokat alkalmazó 336 V-os névleges közbensőköri egyenfeszültséget alkalmazó rendszer áramirányítóinak a hatásfoka.
Az egyes berendezések hatásfokai természetesen meghatározzák a rendszerek eredő hatásfokait is. A régi 48 V-os névleges akkumulátorfeszültségű rendszerek eredő hatásfoka a 45-60 %-os értékkel jóval elmarad az új 336 V névleges akkumulátorfeszültségű rendszerek hatásfokától, ahol ez az érték 80-85 %. (Új tervezésű, korszerű alkatelemekből és kapcsolástechnikával felépített 48 V névleges akkumulátorfeszültségű szünetmentes áramellátó rendszerben elérhető a 65-70 %-os rendszerhatásfok is, de még ez is jelentősen elmarad a 336 V-os névleges akkumulátorfeszültségű rendszer hatásfokától.)
A hatásfokkülönbség azért is fontos tényező, mert a MÁV területein a vasúti biztosító-berendezések energiafelhasználása nagy (20 MWh), amely nagyobb hatásfokú áramellátó rendszer alkalmazásával jelentősen csökkenthető, illetve hálózatkimaradás esetén - azonos kWh kapacitású akkumulátort feltételezve - az akkumulátorról működő berendezések nagyobb hatásfoka miatt hosszabb áthidalási idő érhető el.
Másik szembetűnő különbség a két rendszer között a 48 V-os egyenfeszültség előállításának módja. A régi áramellátó rendszerekben - ahol a fogyasztói igények megkövetelték - feszültségejtő diódákat vagy soros konvertereket, ritkábban DC-DC átalakítókat alkalmaztak a 48 V-os kimeneti feszültség stabilizálására.
A feszültségejtő diódák alkalmazásának azonban több hátránya is van:
- a diódákon viszonylag nagy a hőveszteség, amely az áramellátó rendszer hatásfokát csökkenti, illetve nagy méretű hűtőbordákra van szükség;
- a kimeneti feszültség változása nagy [ + 5 % ; - (10...15) % ];
- az akkumulátorról működő egyéb berendezések által keltett zavarok (pl. feszültségbetörések, feszültségtúllövések) közvetlenül a 48 V-os fogyasztókra kerülnek.
Soros konverterrel ugyan csökkenthető a kimeneti feszültség változása [+(10-15) %; -0%], de a 48 V-os fogyasztók tápfeszültségének nagyfokú stabilitása, illetve az akkumulátor feszültségváltozásától való teljes függetlensége csak DC-DC átalakító(k) alkalmazásával érhető el. Ekkor azonban a régi rendszer végképp elveszti azt az előnyét, hogy az egyik fogyasztói csoport részére nem szükséges külön átalakító berendezés.
Az új 336 V névleges akkumulátorfeszültségű rendszerek esetén természetesen nem kerülhető el a DC-DC átalakító(k) alkalmazása a 48 V előállításához, de ez egyben azt is jelenti, hogy ezek a fogyasztók is stabil ( ± 1% ) és zavaroktól mentes tápfeszültséget kapnak.
A két rendszer jellemzői, s az azok közötti eltérések jól áttekinthetőek az 1. táblázat alapján is.
| Jellemzők | 336V névleges akkumulátor-feszültségű, szünetmentes áramellátó rendszer | 48V névleges akkumulátor-feszültségű, szünetmentes áramellátó rendszer |
|---|---|---|
| 1. táblázat. A 336 V, ill. a jelenleg üzemben lévő 48V névleges akkumulátorfeszültségű, azonos kimeneti teljesítményű, szünetmentes áramellátó rendszerek összehasonlítása | ||
| Áram* | 1/7=0,15 | 1 |
| Hatásfok** (Pkix100)/Pbe : | ||
| - Akkumulátortöltő | 95...97% | 80...90% |
| - Inverter | 85...90% | 60...70% |
| - DC/DC átalakító | 85...90% | 60...70% |
| - Eredő hatásfok tipikusan*** | 80...85% | 45...60% |
| Relatív veszteségi teljesítmény (Pvesztx100)/Pki | 17...25% | 80...120% |
| A 48 V névleges kimeneti feszültség változása | ٱ1% | Az akkumulátor-feszültség változása: £+15%...(-15%). A kimeneti feszültség változása: soros konverterrel: £+(10...15)%...-0% diódás feszültségejtő egységgel: £+5%...(-15%); DC/DC átalakítóval: £±1% |
* relatív értékek
** a hatásfok adatok 0,5..10 kW teljesítményű berendezésekre vonatkoznak
*** az eredő hatásfok adatok akkumulátortöltő(k)ből, inverter(ek)ből, ill. DC-DC átalakító(k)ból álló rendszerre vonatkoznak
A nagyobb rendszer- és berendezés-hatásfok, illetve az előzőekben részletezett további előnyök miatt a MÁV szakemberei úgy döntöttek, hogy a 336 V névleges közbensőköri egyenfeszültségű áramellátó rendszereket gyakorlatban is alkalmazzák.
3. Hort-Csány vasútállomás vasúti biztosító-berendezéseinek szünetmentes áramellátása
A PowerQuattro kft. munkatársai a MÁV szakembereivel együttműködve a MÁV Rt. részére 1996-ban készítették el az első, 336 V névleges közbensőköri egyenfeszültségű szünetmentes áramellátó rendszert Hort-Csány vasútállomás vasúti biztosító-berendezéseinek táplálásához.
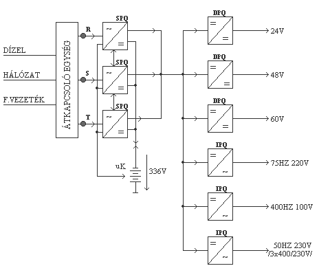
Az áramellátó rendszer felépítése a 3. ábrán látható.

3. ábra.Hort-Csány vasútállomás biztosító-berendezésének áramellátási terve
A betáplálásokat tűz- és életvédelmi kapcsolók (TÉ-1, TÉ-2, TÉ-3) választják el a táplált berendezésektől. Ezek a kapcsolók választják le az áramellátó rendszert tűz vagy egyéb veszély esetén a betáplálási vonalakról.
Az akkumulátort, illetve az akkumulátorra csatlakozó fogyasztókat két, egymástól jól elkülöníthető akkumulátortöltő csoport táplálja (SPQ 220/336-15/1-3, SPQ 220/336-15/4-6).
Az egyik csoport táplálása a háromfázisú hálózati betáplálás (áramszolgáltatói hálózat) és a kézi indítású dízelgenerátor közül kézi kapcsolóval választható ki, míg a másik csoport a felsővezetéki egyfázisú hálózat letranszformált feszültségéről működik.
A betáplálások leválasztó transzformátorokon keresztül csatlakoznak az akkumulátortöltő berendezésekre.
Az áramszolgáltatói hálózatról működő csoportban a három különböző fázisban egy-egy, egyfázisról üzemelő SPQ 220/336-15 típusú kapcsolóüzemű, szinuszos áramfelvételű, 400 V maximális kimeneti feszültségű és 15 A névleges kimenő áramú akkumulátortöltő található. Ezzel elérhető, hogy fáziskimaradás esetén csak a kimaradt fázishoz tartozó akkumulátortöltő kapcsoljon le, a többi akkumulátortöltő pedig zavartalanul működjön tovább.
A felsővezetéki hálózatról működő akkumulátortöltők előtt - az egyes berendezésekbe beépített túlfeszültség elleni védelmen kívül - egy kiegészítő túlfeszültség elleni védelem is található, amelynek feladata, hogy a felsővezetéki hálózat nagy energiájú túlfeszültségeit az akkumulátortöltőkre veszélytelen szintre korlátozza.
Az akkumulátortöltő csoportok úgy vannak tervezve, hogy külön-külön is képesek a rendszer tartós működéséhez szükséges egyenfeszültséget, illetve egyenáramot biztosítani.
Az akkumulátorok szintén tűz- és életvédelmi kapcsolón (TÉ-5) keresztül kapcsolódnak az akkumulátortöltőkhöz és az egyenfeszültségről működő átalakítókhoz.
Az akkumulátorok is két csoportra vannak osztva, így meghibásodás esetén a hibás rész lekapcsolható, s a rendszer leállása nélkül elvégezhető a javítás.
A megszakításmentes egyenfeszültségről működnek azok az átalakító egységek, amelyek előállítják a biztosító-berendezések működéséhez szükséges tápfeszültségeket. Ezek az átalakítók a 3 fázisú, 3kVA névleges teljesítményű, ill. az egyfázisú, szintén 3 kVA névleges teljesítményű 50 Hz-es, az egyfázisú 3 kVA névleges teljesítményű 75Hz-es, és az egyfázisú, 0,2 kVA névleges teljesítményű 400 Hz-es inverterek (VIPQ 336/3x400-3/50, IPQ 336/230-3/50,IPQ 336/230-3/75, IPQ 336/100-0,2/400), valamint a 24 V és 48 V-os névleges kimeneti feszültségű DC-DC átalakítók (DPQ 336/24-10, DPQ 336/48-15).
Az inverterek meghibásodása esetén az ÁTK tervjelű átkapcsoló egységek automatikusan egy másik inverter kimeneti feszültségét kapcsolják a fogyasztókra, ill.: 50Hz esetén az átkapcsolás a hálózatra történik.
Az egyenfeszültségről működő fogyasztók szünetmentes, redundáns táplálása a DC-DC átalakítók párhuzamos üzemével biztosított. Az egyik DC-DC átalakító meghibásodásakor a vele párhuzamosan működő berendezés biztosítja a rákapcsolódó fogyasztók energiaszükségletét.
A Hort-Csányi energiaellátás mikroprocesszoros felügyeleti rendszere lehetővé teszi a gyors és könnyű tájékozodást a forgalmi kezelő személyzet számára az energiaellátási rendszerben, ill. naplózást is végez, amely helyben, a saját billentyűzetével lekérdezhető.
4. Hort-Csány vasútállomás vasúti biztosító-berendezéseinek szünetmentes áramellátása
A rendszer és az azt alkotó berendezések megfelelnek az EMC (Electrical Magnetic Compability - Elektromágneses kompatibilitás) követelményeknek, amelyek szerint a berendezések működésükkel nem okozhatnak zavart más berendezések működésében, valamint a berendezés működését nem zavarhatja meg egy másik berendezés működése.
A rendszert, ill. a rendszert alkotó átalakítókat úgy alakítottuk ki, hogy 0..55 °C környezeti hőmérséklet-tartományban működőképesek legyenek, és könnyen leolvasható, ill. kiértékelhető üzemállapot-jelzésekkel rendelkezzenek.
Az kifejlesztett átalakítók nagy megbízhatóságúak, tervezett MTBF (Mean Time Between Failures - Két meghibásodás közötti átlagos időtartam) érték 150 ezer üzemóra. Hiba esetén a modulrendszerű kialakítás miatt rövid (ha van tartalék modul) MTTR (Mean Time To Repair - Javításhoz szükséges átlagos időtartam) értékkel (5-10 perc) kell számolni.
Az átalakítók széles bemeneti feszültséghatárok (300-400 V) között működőképesek, kis bemeneti feszültségen pedig lekapcsolnak, így megvédik az akkumulátorokat a mélykisütéstől, valamint önmagukat a hibás működéstől.
4.1. Az SPQ tervjelű akkumulátortöltők
A rendszer SPQ típusú egyenirányító moduljainak feladata a közbensőköri 336 V névleges feszültségű akkumulátortelep feltöltésén és kondicionáló töltésén kívül az akkumulátor telepre csatlakozó fogyasztók, vagy energia-átalakító modulok táplálása. Az egyenirányítók összteljesítményét a maximális töltőáram és az összes fogyasztó áramigénye, illetve a szükséges redundancia határozta meg.
Az akkumulátortöltők teljesítik a korszerű akkumulátortöltőkkel szemben támasztott követelményeket. Statikus pontosságuk±1%, hatásfokuk névleges terhelésnél nagyobb, mint 95%, a hálózatból felvett áramuk közel színuszos (a teljesítménytényező: l<0,97).
A nagy teljesítménytényező szükségességét a következő okok indokolják:
Ha egy - országos hálózatra csatlakozó - fogyasztó felvett árama teljesen azonos alakú (elméletileg szinuszos) és azonos fázishelyzetű a hálózati feszültséggel, akkor annak teljesítménytényezője l=1, azaz a hálózatból tiszta hatásos teljesítményt fogyaszt, és működéséhez nem igényel meddőteljesítményt. Ha a fogyasztó felvett árama felharmonikus összetevőket is tartalmaz (azaz nem tiszta szinuszos), vagy a felvett áram alapharmonikusának fázishelyzete nem egyezik meg a táphálózat feszültségének fázishelyzetével (cosj=1), akkor a hálózat és a fogyasztó között meddőteljesítmény-forgalom lép fel és ezt a meddőteljesítmény-igényt a hálózatnak kell fedeznie.
Az akkumulátortöltők a csepptöltési feszültségszintet a környezeti hőmérséklet figyelembevételével alakítják ki, így nagyobb környezeti hőmérséklet esetén nem töltődnek túl az akkumulátorok, ill. kisebb környezeti hőmérséklet esetén pedig biztosítható az akkumulátorok 100 %-os töltöttsége.
4.2. Az IPQ tervjelű inverterek
Az IPQ és VIPQ tipusú invertereknek nagy a statikus és a dinamikus pontossága, vezetőjelüket kvarcoszcillátorok segítségével állítják elő, ezért frekvenciastabilitásuk nagy, kimeneti feszültségük torzítási tényezője kicsi (ku< 4 %) [A torzítási tényezőt (ku) egyes szakirodalmakban THDu-val jelölik].
A kimeneteik a berendezés károsodása nélkül tartósan túlterhelhetőek, illetve rövidre zárhatóak.
Az inverterekhez átkapcsoló automatika kapcsolható, amely segítségével meghibásodás esetén a fogyasztók táplálása átkapcsolható egy másik inverterre, vagy a hálózatra.
Az invererek közül háromfázisú, 50 Hz-es inverter biztosítja a váltók állításához szükséges energiát, míg az egyfázisú, 50 Hz-es inverter táplálja a fényjelzők, a szükségvilágítás és a visszajelentések áramköreit.
A szigeteltsínek, ill. a vonali táplálások számára a 75 Hz, valamint a 400 Hz kimenő frekvenciájú inverterek állítják elő a megfelelő frekvenciájú és feszültségű tápfeszültségeket.
4.3. A DPQ tervjelű DC-DC átalakítók
A DPQ tipusú DC-DC átalakítók ±1% statikus, és ±2% (DI=0,25 In, tsz<5ms) dinamikus pontosságúak, pszofometrikus effektív zajfeszültségük kisebb, mint 2mV, míg szélessávú effektív zajfeszültségük kisebb, mint 100mV.
A 48 V-os névleges kimeneti feszültségű DC-DC átalakítók a jelfogók, a segédáramkörök és a váltóellenőrzés számára, a 24 V-os névleges kimeneti feszültségű DC-DC átalakítók a távközlés és a 13 kHz-es generátor (amit a sínfoglaltság jelzéséhez használnak) tápláláshoz állítják elő a tápfeszültségeket.
Az áramellátó rendszer minősítő méréseit a MÁV szakemberei elvégezték, s megállapították, hogy az áramellátó rendszer mindenben eleget tesz a kitűzött követelményeknek. A jövőben a MÁV vonalain a régi áramellátó rendszerek kiváltására, valamint az energiatakarékosság megvalósításának érdekében a PowerQuattro Kft. szakemberei a MÁV szakembereivel együttműködve több, a Hort-Csány-i áramellátó rendszerhez hasonló áramellátó rendszert fognak telepíteni.
Irodalom
[1] Gelányi Gyula: A vasútbiztosító berendezések áramellátási rendszerei - Magyar Elektronika 1993.VI./2.
[2] Molnár Károly: A vasúti biztosítóberendezések korszerű szünetmentes egyen- és váltakozófeszültségű áramellátó rendszerei című előadás - Elektronikus biztonsági rendszerek nemzetközi konferenciája. Győr 1995.
[3] Molnár Károly: A vasúti biztosítóberendezések 336 V névleges közbensőköri egyenfeszültségű szünetmentes egyen- és váltakozófeszültségű áramellátó rendszerei című előadás - MÁV áramellátási konferencia. Miskolc 1995.
[4] Kabai István: Hort-Csány állomás vasúti biztosítóberendezéseinek korszerű szünetmentes áramellátó rendszere című előadás - PowerQuattro Kft. áramellátási szimpózium. Siófok 1996.
[5] Molnár Károly: Vasúti biztosítóberendezések korszerű szünetmentes áramellátása című előadás -X. Vasúti Pályafenntartási Konferencia. Záhony-Nyíregyháza 1996.